Ide 28+ Rangkaian Las Tig
Poin pembahasan Ide 28+ Rangkaian Las Tig adalah :
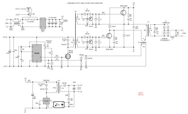
Ide 28+ Rangkaian Las Tig. Sekarang ini semakin banyak pilihan bentuk dan ukuran skema las listrik. Daripada membeli beberapa skema las listrik yang akan memenuhi kotak penyimpanan perkakas, Anda lebih baik membeli satu skema las listrik dengan ujung yang bisa diganti seperti ini. skema las listrik model ini bisa digunakan untuk segala bidang pekerjaan, baik yang kecil maupun yang besar.skema las listrik Ide 28+ Rangkaian Las Tig

Apa Saja Komponen Komponen Las Argon Dan Peralatan Kerja Sumber www.cnzahid.com

Pengertian Las Argon Lengkap Beserta Peralatan dan Sumber www.pengelasan.net

Projeto inversor solda Sumber pt.slideshare.net

Cara servis mesin las inverter Sumber hrtechnic.blogspot.com

Cara servis mesin las inverter BAGIAN BAGIAN MESIN LAS Sumber hrtechnic.blogspot.com

MACAM MACAM MESIN LAS LISTRIK dyahayukrahmawati Sumber dyahayukrahmawati.wordpress.com

Jenis Jenis Las Welding Priyo Baliyono Sumber priyobaliyono.blogspot.com

Cara servis mesin las inverter Sumber hrtechnic.blogspot.com

Mesin Las Argon PEMESINAN Sumber chamick.blogspot.com

Cara servis mesin las inverter BAGIAN BAGIAN MESIN LAS Sumber hrtechnic.blogspot.com

Mesin Las DUNIA TEKNIK MESIN Sumber duniateknikmesin.blogspot.com

Cara servis mesin las inverter Sumber hrtechnic.blogspot.com

my experience GAS TUNGSTEN ARC WELDING GTAW TUNGSTEN Sumber hermansandywi78.blogspot.com

kecil kecil mesin las Doovi Sumber www.doovi.com

GANESHA PRO Sumber ganeshapro.blogspot.com

tenaga kerja oil and gas Pengelasan welding adalah Sumber sofian29081985.blogspot.com

Bengkel Mesin Niaga Bengkel Konstruksi Mesin Page 2 Sumber niagaworkshop.wordpress.com

kecil kecil mesin las Doovi Sumber www.doovi.com

Safety Equipment and Industrial Supplier Sumber tekadjaya.com

Cara servis mesin las inverter Sumber hrtechnic.blogspot.com

Spek dan Harga Mesin Las Multipro Tig 200 A SA Sumber brosurharga.web.id

Kekurangan dan Kelebihan Vector V 341 Mesin Las 300 A TIG Sumber blusukan.web.id

Spek dan Harga Mesin Las Multipro Tig 200 A SA Sumber brosurharga.web.id

Spare Part Mesin Las TIG Bengkel Mesin Niaga Sumber niagaworkshop.wordpress.com

Kawat las Untuk Maintenance Kereta Api Kawat Las Edzona Sumber kawatlas.jayamanunggal.com

Pengelasan Rel Kereta Api JUAL Kawat Las Edzona Sumber kawatlas.jayamanunggal.com

Pembakar las GTAW Kawat Las EDZONA Agen Indonesia Sumber kawatlas.jayamanunggal.com

Download Tutorial Las Pipa AC Kulkas video mp3 mp4 3gp Sumber wapistan.info

Kawat Las Pertambangan Jual Agen Indonesia Sumber kawatlas.jayamanunggal.com

Pengelasan Rel Kereta Api JUAL Kawat Las Edzona Sumber kawatlas.jayamanunggal.com

Bengkel Mesin Niaga Bengkel Konstruksi Mesin Page 2 Sumber niagaworkshop.wordpress.com

Kawat Las industri Tambang Tambang Batu Bara Jual Sumber kawatlas.jayamanunggal.com

Kawat Las Pertambangan Jual Agen Indonesia Sumber kawatlas.jayamanunggal.com

Journal of Journey Belajar Las sendiri Sumber khymem.blogspot.com

Journal of Journey Belajar Las sendiri Sumber khymem.blogspot.com
bahaya las argon, cara setting las argon, kawat las argon, cara membuat las argon sederhana, kelebihan dan kekurangan las tig, cara merakit las argon sendiri, elektroda las tig, contoh soal las tig,
Ide 28+ Rangkaian Las Tig. Sekarang ini semakin banyak pilihan bentuk dan ukuran skema las listrik. Daripada membeli beberapa skema las listrik yang akan memenuhi kotak penyimpanan perkakas, Anda lebih baik membeli satu skema las listrik dengan ujung yang bisa diganti seperti ini. skema las listrik model ini bisa digunakan untuk segala bidang pekerjaan, baik yang kecil maupun yang besar.skema las listrik Ide 28+ Rangkaian Las Tig

Apa Saja Komponen Komponen Las Argon Dan Peralatan Kerja Sumber www.cnzahid.com
Las TIG MIG Ade Nugroho
Las listrik TIG Tungsten Inert Gas Tungsten Gas Mulia menggunakan elektroda wolfram yang bukan merupakan bahan tambah Busur listrik yang terjadi antara ujung elektroda wolfram dan bahan dasar merupakan sumber panas untuk pengelasan Titik cair elektroda wolfram sedemikian tingginya sampai 3410 C sehingga tidak ikut mencair pada saat
Pengertian Las Argon Lengkap Beserta Peralatan dan Sumber www.pengelasan.net
Inspirasi 19 Skema Rangkaian Mesin Las Lakoni
31 08 2020 CARA MEMPERBAIKI MESIN LAS Skema Diagram Mesin Las MMA TIG Sumber herutechnic blogspot com Rangkaian Las Listrik Trafo dan Las Listrik Inverter Pengertian secara singkat sebenarnya mesin las listrik adalah sebuah rangkaian penurun tegangan Pada rangkaian las listrik biasanya menggunakan trafo las listrik dengan keluaran output maksimal 40

Projeto inversor solda Sumber pt.slideshare.net
Jenis Jenis Las Welding Priyo Baliyono
30 09 2020 Las TIG atau las wolfram gas A LAS BUSUR LISTRIK Las busur listrik atau pada umumnya disebut las listrik termasuk suatu proses penyambungan logam dengan menggunakan tenaga listrik sebagai sumber panas Jadi surnber panas pada las listrik ditimbulkan oleh busur api arus listrik antara elektroda las dan benda kerja

Cara servis mesin las inverter Sumber hrtechnic.blogspot.com
Apa Saja Komponen Komponen Las Argon Dan Peralatan Kerja
Sobat fitter penyebutan jenis pengelasan argon dikalangan kita para pekerja proyek konstruksi dan piping berbeda beda Ada yang mengatakan las GTAW ada pula yang mengatakan las TIG Pada dasarnya sama saja dan kita sobat fitter menyesuaikan lidah orang Indonesia lebih gampang menyebut Las

Cara servis mesin las inverter BAGIAN BAGIAN MESIN LAS Sumber hrtechnic.blogspot.com
simply welding PERALATAN UNTUK MELAKUKAN PROSES LAS
Peralatan wajib yang digunakan pada proses las GTAW harus lengkap dan juga layak untuk digunakan sesuai standard karena bila tools wajib tersebut tidak layak maka dikhawatirkan ada kendala pada saat melakukan proses las yang dapat mengakbatkan defect cacat las berikut beberapa peralatan wajib pada saat melakukan proses pengelasan GTAW 1

MACAM MACAM MESIN LAS LISTRIK dyahayukrahmawati Sumber dyahayukrahmawati.wordpress.com
TEHNIK MESIN pengertian mesin las
Las listrik TIG Tungsten Inert Gas Tungsten Gas Mulia menggunakan elektroda wolfram yang bukan merupakan bahan tambah Busur listrik yang terjadi antara ujung elektroda wolfram dan bahan dasar merupakan sumber panas untuk pengelasan

Jenis Jenis Las Welding Priyo Baliyono Sumber priyobaliyono.blogspot.com
Teknik Las Listrik dan Rangkaian Las Listrik
09 09 2020 Las busur listrik atau pada umumnya disebut las listrik termasuk suatu proses penyambungan logam dengan menggunakan tenaga listrik sebagai sumber panas Jadi surnber panas pada las listrik ditimbulkan oleh busur api arus listrik antara elektroda las dan benda kerja Benda kerja merupakan bagian dari rangkaian aliran arus listrik las

Cara servis mesin las inverter Sumber hrtechnic.blogspot.com

Mesin Las Argon PEMESINAN Sumber chamick.blogspot.com

Cara servis mesin las inverter BAGIAN BAGIAN MESIN LAS Sumber hrtechnic.blogspot.com

Mesin Las DUNIA TEKNIK MESIN Sumber duniateknikmesin.blogspot.com

Cara servis mesin las inverter Sumber hrtechnic.blogspot.com

my experience GAS TUNGSTEN ARC WELDING GTAW TUNGSTEN Sumber hermansandywi78.blogspot.com

kecil kecil mesin las Doovi Sumber www.doovi.com
GANESHA PRO Sumber ganeshapro.blogspot.com

tenaga kerja oil and gas Pengelasan welding adalah Sumber sofian29081985.blogspot.com

Bengkel Mesin Niaga Bengkel Konstruksi Mesin Page 2 Sumber niagaworkshop.wordpress.com

kecil kecil mesin las Doovi Sumber www.doovi.com
Safety Equipment and Industrial Supplier Sumber tekadjaya.com

Cara servis mesin las inverter Sumber hrtechnic.blogspot.com

Spek dan Harga Mesin Las Multipro Tig 200 A SA Sumber brosurharga.web.id

Kekurangan dan Kelebihan Vector V 341 Mesin Las 300 A TIG Sumber blusukan.web.id

Spek dan Harga Mesin Las Multipro Tig 200 A SA Sumber brosurharga.web.id

Spare Part Mesin Las TIG Bengkel Mesin Niaga Sumber niagaworkshop.wordpress.com
Kawat las Untuk Maintenance Kereta Api Kawat Las Edzona Sumber kawatlas.jayamanunggal.com
Pengelasan Rel Kereta Api JUAL Kawat Las Edzona Sumber kawatlas.jayamanunggal.com
Pembakar las GTAW Kawat Las EDZONA Agen Indonesia Sumber kawatlas.jayamanunggal.com
Download Tutorial Las Pipa AC Kulkas video mp3 mp4 3gp Sumber wapistan.info
Kawat Las Pertambangan Jual Agen Indonesia Sumber kawatlas.jayamanunggal.com
Pengelasan Rel Kereta Api JUAL Kawat Las Edzona Sumber kawatlas.jayamanunggal.com

Bengkel Mesin Niaga Bengkel Konstruksi Mesin Page 2 Sumber niagaworkshop.wordpress.com
Kawat Las industri Tambang Tambang Batu Bara Jual Sumber kawatlas.jayamanunggal.com
Kawat Las Pertambangan Jual Agen Indonesia Sumber kawatlas.jayamanunggal.com

Journal of Journey Belajar Las sendiri Sumber khymem.blogspot.com

Journal of Journey Belajar Las sendiri Sumber khymem.blogspot.com
0 Komentar